
中諾檢測從事防爆認證行業多年,遇到各種各樣的客戶,越來越感覺到客戶需求的多樣化。作為一個防爆認證一站式服務平臺,從防爆產品取證、防爆現場安 全檢查、防爆電氣設備安裝資質、涉爆粉塵檢測、防爆檢測報告,再到近年來我們承接到各種的防爆電氣設備的防爆設計,中諾檢測得到越來越多客戶的信任和認可。
在防爆技術設計上,我們的防爆設計資深工程師具有20多年的廠用防爆產品的研發和技術設計工作經驗,在防爆技術中的防爆結構、材料、強弱電、單片機軟硬件特別是本安技術領域積累了豐富的經驗和心得。由我們工程師主導和參與研發的多種具有創新型的結構、電氣、電子軟硬件的防爆產品 ,應用于中國及海外石油化工等行業,同時取得了多項發明專利和實用新型專利,并在本行業核心期刊上發表了多篇與電氣、防爆等技術有關的論文。
作為行業內經驗豐富的企業,中諾檢測根據客戶的需求,結合國家標準,已經為客戶提供了本安型、澆封型、隔爆型、增安型等防爆型式的全套防爆技術設計,設計內容包括全套結構圖紙,二維、三維設計圖,工藝文件、企標、電路圖等。
中諾檢測為客戶提供的部分防爆技術設計案例:
1、防爆變頻器

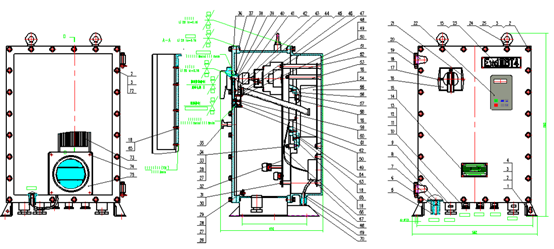
2、隔爆型控制器

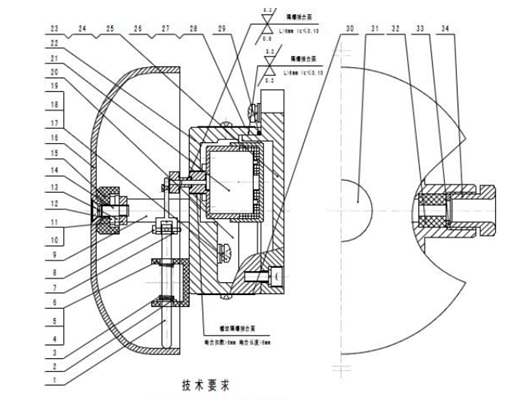
3、本安、隔爆、澆封復合型液化石油氣自動充裝機

4、防爆電鈴

服務熱線:18924609560(微信同號)
粵公網安備44030002007506號 粵ICP備18004888號
